

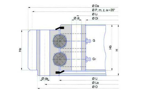
| select | Inquiry | Designations | Boundary Dimension (mm) | Bolt Hole Diameter (mm) | Weight | |||||||
|---|---|---|---|---|---|---|---|---|---|---|---|---|
| Da | Di | H | La | Li | na3) | ni3) | m | z | (Kg) | |||
| E.504.2.25.00.D.6 | 504 | 300 | 95 | 16 | 17 | 16 | 17 | 8 | 61 | 65 | ||
| E.608.2.25.10.D.6 | 608 | 382 | 95 | 24 | 17 | 24 | 17 | 8 | 74 | 84 | ||
| E.712.2.25.12.D.6 | 712 | 470 | 98 | 24 | 17 | 24 | 17 | 8 | 87 | 103 | ||
| E.1079.2.20.12.D.3-V | 1079 | 893 | 90 | 30 | M16 | 30 | 18 | 8 | 131 | 140 | ||
| E.1080.2.22.00.D.6 | 1080 | 893 | 92 | 30 | 17 | 30 | 17 | 8 | 133 | 150 | ||
| E.1200.2.25.00.D.1 | 1200 | 976 | 98 | 36 | 19 | 36 | 19 | 8 | 148 | 210 | ||